软件应用

步入式环境试验室 特殊环境类试验箱 温湿度环境试验箱 HTHAPP最新登入 光学试验仪器 声学试验仪器 电学试验仪器 hthapp体育 行业专用试验仪器 hthapp官网下载 hthapp手机版 hthapp官网登录 hthapp官网入口 hthapp官网 HTHAPP官方 显微镜 进口试验箱 其他检测设备

减震器测试应用软件

发布日期:2024-12-18 浏览次数:

1、产品介绍设备主要功能及优势:

1.1产品概况

   凭借功能全面的减震器测试应用软件,满足全方位的减震器性能、疲劳、耐久和质量认证测试需求。这些应用软件可支持不断扩展的电磁驱动和电液伺服减震器测试系统,具有全面的测试创建能力、优异的运行效率,包括数据采集、自动报告等功能以及众多的数据可视化和分析方法。

1.2    产品优势和技术特点

1.2.1、用途广泛

   可用于执行各种减震器测试,包括从简单的通过/失败质量保证、位置相关的气体力评估到复杂的样件故障研究。

1.2.2、准确/可重复的结果

   包括一整套典型指令波形、高级可选指令波形以及多种波形补偿方法。

1.2.3、高效运行

   具有易于测试设置和存储的工具、直观的运行时操作、灵活的数据采集和自动报告。

1.2.4、较先进的解决方案

   采用可选颠簸缓冲器测试的减震器测试软件,可以更真实地测试颠簸缓冲器与减震器的相互作用。

 减震器测试应用软件性能指标及各系统组成

 

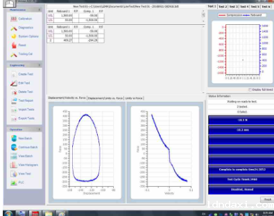
减震器软件:数据采集和显示

8.1.png

使用 “测试结果选择” (Test Results Selection) 窗口选择需要采集并且显示的具体数据。这些数据在试验过程中被保存,可以为每个测试数据设置上下限值,并且定义最终结果的报告方式。

使用弹出式 “数据显示” (Data Displays) 窗体来查看个测试结果的曲线,还可以显示测试循环计数以及监测样件的实际温度。

减震器软件:性能测试

8.2.png

车辆减震器测试系统可以精确复现车辆减震器的真实工作状况,满足车辆减震器的性能参数测定应用,包括基本的参数测试以及高级功能等。

基本性能测试只需单击几个设置窗口即可:

选择对样件加载的指令波形

定义测试循环次数

设置循环数据采集

选择需要要显示的测试结果

对于高级性能测试,该软件允许

修改对样件的激励类型和波形:

更改激励波形的循环频率或速度

定义载荷端值

创建复杂的激励信号谱

增量温度测试:采集相关的温度数据,评估被测样品的温度效应;

摩擦密封力和气动力测量:测量特定位置下的摩擦力和气动力,也可以在多个位置下开展测量工作;

温度监测:在测试过程中测量样件温度;

液压侧向荷载:通过增加侧向加载通道对样品施加侧向力,以精确模拟实际工况;

速度保持:达到正弦速度指令的峰值并且确保其精度;

NVH应用:测量减震器相关的噪声指标;

减震器软件:耐久测试

8.3.png

减震器测试软件可以根据耐久测试任务需求进行适度裁剪,以满足从简单的循环耐久测试到复杂的故障评估研究等特定要求:

全套指令波形:

正弦

斜坡

方波

复合正弦

复合斜坡

块谱循环

RPC时间历程数据

软件中提供了集中不同的波形补偿方法来确保加载过程满足速度端值的要求,包括峰谷值补偿、幅值相位控制以及峰谷值相位控制等等。

可选疲劳耐久测试任务:

Email - 可以通过邮件提醒操作人员试验已经结束或者试样出现失效;

多样件测试 - 可以同时测试多个样件的疲劳特性;

水冷套件 - 确保样件的温度恒定可靠;

缓冲块冲击耐久试验 - 获取更加精确可靠的真实条件冲击耐久性能;

液压侧向加载 - 通过增加侧向加载通道对样品时间侧向力,以精确模拟实际工况;

793.71时间历程回放 - 通过RPC时间历程回放路谱文件来进行疲劳耐久试验;

793.11 载荷谱编辑工具 - 创建并编辑载荷谱文件;

减震器软件:质量控制测试

8.4.png

减震器测试软件提供了直观易用的操作界面工具,可高效开展“通过/失败”质量审核测试。

每个减震器测试的通过/失败数据存储为制表符分隔的数据文件,可包括:

样件名称

时间戳

总体通过/失败率

每项程序测试结果的通过/失败结果

包络曲线的通过/失败

减震器软件:报告和分析

8.5.png

自动化测试报告生成:测试数据、计算所得的结果和测试信息将保存到测试工作簿中,以供后续查验和进一步分析。每个测试工作簿包括所有数据文件的工作表和批处理文件。表格式报告选项包括:

所有测试条件下的所有测试结论

所选测试条件下的测试结论

所有测试条件下的单次测试结论

减震器分析图功能:

载荷与位移

载荷与速度

气动力与位移

峰值速度下的峰值载荷

峰值速度下的载荷

峰值载荷时的速度

位移与时间

载荷与时间

速度与时间

条件与时间

峰值载荷与温度

时间位移速度的组合

测试结果

 

Shock软件

8.6.png

简单易用集成化的 Shock 6 软件主要用于配合SYD和EMA系统开展减震器性能测试,软件提供了一系列预定义的测试选项以及带集成分析工具的向导界面。

Shock 6 功能:

基于温度或时间的预热

静态气动力测试

摩擦力测试

速度图(常数、峰值速度、多常数)

通过/失败验证

支持可变波形生成,用于通过 EMA 系统传导方波、正弦叠加、可变正弦、三角形和频率扫描

能够导入自定义波形或回放车道数据,以使用 EMA 系统模拟实际条件

生产线测试软件

8.7.png

LineTest 软件专为减震器生产环境而开发,提供了高效的基于速度的测试设置和运行时数据显示和自动报告功能,能够轻松识别样件故障。

LineTest 功能:

设置停靠、测试和拾取位置,并定义自定义的预热周期和速度

进行气动力测试(包括用户可配置的上限/下限和波形点)

在各种循环幅度下定义多达三种不同的测试速度

预定义运行限制或根据新运行批次中部件的统计平均值计算运行限制

在用户可配置的屏幕上显示诊断数据以及故障指示

将数据附加到现有批次中或在新批处理文件中进行收集和分析

在每个批处理文件的末尾执行统计分析


X

截屏,微信识别二维码

微信号:hth体育app下载仪器

(点击微信号复制,添加好友)

  打开微信

微信号已复制,请打开微信添加咨询详情!
Baidu
map